600 akseltætning

Anvendelse: 

Kraftig konstruktion og velegnet til væsker, som indeholder krystaller, eller hvor viskositeten er høj, eksempelvis sukker. 

Konstruktion: 

  • Akseltætning med fjedre beskyttet af rustfrit hus
  • Huset monteret med O-ring der fungerer, som sekundær tætning omkring akslen
  • Er ikke retningsbestemt
  • Kombineres med O-rings sæder 

Kvalitet: 

  • Hus og fjedre i rustfrit stÃ¥l
  • O-ringe i NBR, EPDM eller Viton gummi
  • Tætningsring i kul eller silicium
  • Sæde fremstillet i rustfri stÃ¥l, keramik eller silicium 

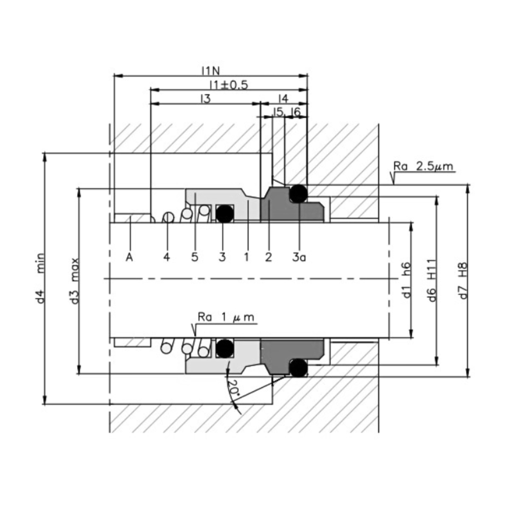
Komponenter:

1. Roterende kontaktflade
2. Stationær kontaktflade
3. O-ringe
3a. O-ringe
4. Fjeder
5. Metalramme
A. Afstandsstykket følger ikke med tætningen

Varenummer Aksel dia.
mm.
Roterende del
materiale
Stationær del
materiale
Gummi
kvalitet
Stationær
type
Basisenhed Antal
034560010507V 10,0 Sic Sic Viton L50 STK
0345600107V 10,0 Sic Sic Viton 0 STK
0345600127V 12,0 Sic Sic Viton 0 STK
034560016001E 16,0 Rustfri Kul EPDM 0 STK
034560016007E 16,0 Sic Sic EPDM 0 STK
034560018007N 18,0 Sic Sic NBR 0 STK
034560020011E 20,0 Kul Rustfri EPDM DIN L1 STK
034560020017E 20,0 Sic Sic EPDM DIN L1 STK
034560022131E 22,0 Kul Kul EPDM L13 STK
0345600240L1E 24,0 Kul Rustfri EPDM L STK
0345600247E 24,0 Sic Sic EPDM L60 STK
034560025047E 25,0 Sic Sic EPDM L4 STK
034560025097E 25,0 Sic Sic EPDM L9 STK
034560025137V 25,0 Sic Sic Viton L13 STK
0345600257E 25,0 Sic Sic EPDM L60 STK
034560028007NV 28,0 Sic Sic NBR 0 STK
034560028007VV 28,0 Sic Sic Viton 0 STK
034560028017E 28,0 Sic Sic EPDM DIN L1 STK
034560028607V 28,0 Sic Sic VITON L60 STK
034560030097E 30,0 Sic Sic EPDM L9 STK
0345600300L5E 30,0 Kul Sic EPDM L STK
034560035017E 35,0 Sic Sic EPDM DIN L1 STK
034560038015N 38,0 Kul Sic NBR DIN L1 STK
034560038015V 38,0 Kul Sic Viton DIN L1 STK
034560038LD1E 38,0 Kul Rustfri EPDM DIN L STK
034560038LD7V 38,0 Sic Sic Viton DIN L STK
034560038LD7VL 38,0 Sic Sic Viton DIN L STK
034560043131E 43,0 Kul Rustfri EPDM L13 STK
0345600507V 50,0 Sic Sic Viton DIN STK
0345600551F 55,0 Kul Rustfri FEP L9 STK
0345600601E 60,0 Kul Rustfri EPDM L13 STK
034560060L11E 60,0 Kul Rustfri EPDM DIN L1 STK
0345600637N 63,0 Sic Sic NBR DIN STK
0345600B161E 16,0 Kul Rustfri EPDM DIN STK
0345600D30015E 30,0 Kul Sic EPDM DIN L STK
0345600D32011N 32,0 Kul Rustfri NBR DIN L1 STK
0345600D38LD7E 38,0 Sic Sic EPDM DIN L STK
0345600D38LD7EL 38,0 Sic Sic EPDM DIN L STK
0345600D551E 55,0 Kul Rustfri EPDM DIN L STK
0345600D70011E 70,0 Kul Rustfri EPDM DIN L STK
Forbehold for forkert produktdata, variationer i billeder/videoer, samt pris- og valutakursændringer.
Luk

Det tager kun 1 minut...

Luk
Log ind

Der opstod en fejl!

Opret nyt password

Der opstod en fejl!

Vi har sendt dig en e-mail med et link til at oprette dit nye password. Tjek også din spam-mappe, hvis du ikke kan finde den.