130 akseltætning

Anvendelse:

Kraftig konstruktion og velegnet til væsker som indeholder krystaller, eller hvor viskositeten er høj som eksempelvis sukker.

Konstruktion:

  • Akseltætning med fjedre beskyttet af rustfrit hus
  • Huset monteret med O-ring som fungerer som sekundær tætning omkring akslen
  • Kombineres med O-rings sæder
  • Er ikke retningsbestemt

Kvalitet:

  • Hus og fjedre i rustfrit stÃ¥l
  • O-ringe i NBR, EPDM eller Viton gummi
  • Tætningsring i kul eller silicium
  • Sæde fremstillet i rustfrit stÃ¥l, keramik eller silicium 

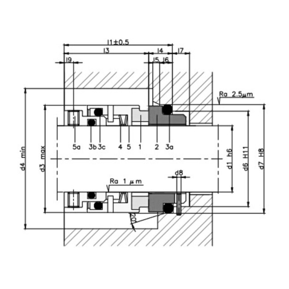
Komponenter:

1. Roterende kontaktflade
2. Stationær kontaktflade
3a. O-ringe
3b. O-ringe
3c. O-ringe
4. Fjeder
5. Metalramme
6. Stilleskruer

Varenummer Aksel dia.
mm.
Roterende del
materiale
Stationær del
materiale
Gummi
kvalitet
Stationær
type
Basisenhed Antal
03451300167V 16,0 Sic Sic Viton STK
03451300245V 24,0 Kul Sic Viton STK
03451300247E 24,0 Sic Sic EPDM STK
03451300247V 24,0 Sic Sic Viton STK
03451300253V 25,0 Kul Cer Viton STK
03451300255V 25,0 Kul Sic Viton STK
0345130025603E 25,0 Kul Cer EPDM L60 STK
0345130025605E 25,0 Kul Sic EPDM L60 STK
03451300257V 25,0 Sic Sic Viton STK
0345130028065V 28,0 Kul Sic Viton L6 STK
0345130028167E 28,0 Sic Sic EPDM STK
0345130028167V 28,0 Sic Sic Viton STK
0345130028605V 28,0 Kul Sic Viton L60 STK
0345130030097V 30,0 Sic Sic Viton L9 STK
03451300307E 30,0 Sic Sic EPDM STK
03451300307V 30,0 Sic Sic Viton STK
03451300337V 33,0 Sic Sic Viton STK
03451300355E 35,0 Kul Sic EPDM L16 STK
0345130038065V 38,0 Kul Sic Viton L6 STK
0345130038605V 38,0 Kul Sic Viton L60 STK
0345130040065E 40,0 Kul Sic EPDM STK
03451300400L5E 40,0 Kul Sic EPDM STK
03451300407V 40,0 Sic Sic Viton STK
03451300455E 45,0 Sic Sic EPDM STK
03451300457V 45,0 Sic Sic Viton STK
03451300505E 50,0 Kul Sic EPDM STK
03451300505V 50,0 Kul Sic Viton STK
03451300601E 60,0 Kul Rustfri EPDM STK
03451300607E 60,0 Sic Sic EPDM STK
03451300637E 63,0 Sic Sic EPDM STK
0345130070065V 70,0 Kul Sic Viton L6 STK
0345130070067V 70,0 Sic Sic Viton L6 STK
Forbehold for forkert produktdata, variationer i billeder/videoer, samt pris- og valutakursændringer.
Luk

Det tager kun 1 minut...

Luk
Log ind

Der opstod en fejl!

Opret nyt password

Der opstod en fejl!

Vi har sendt dig en e-mail med et link til at oprette dit nye password. Tjek også din spam-mappe, hvis du ikke kan finde den.