Patrontætning LDC40 Dobbelt

Anvendelse:

Dobbeltpatron til forsegling og forhindring af væske- eller gaslækager. Dobbeltvirkende patrontætninger benyttes i mere krævende applikationer, hvor enkeltpatroner ikke er tilstrækkelige.

Bemærk at produktet kan leveres i flere forskellige dimensioner og materialer end de angivne. Kontakt os gerne for mere information.

Konstruktion:

  • Multispring
  • Afbalanceret
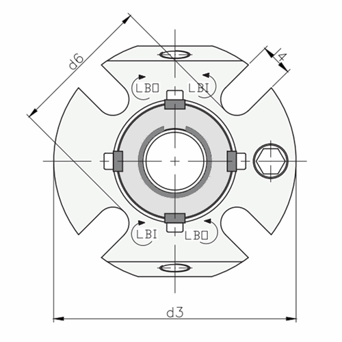
  • Med 4 montagehuller
  • Ikke afhængig af rotationsretningen

Kvalitet:

  • Flange i rustfrit stål AISI 316
  • Bøsning i Hastelloy

Driftsgrænser:

d= diameter, p = pressure, v = velocity, t = temperature

  • d1 = 25 ÷ 100 mm
  • p = 25 kg/cm2
  • v = 16 m/s
  • t = -15 ÷ +200°C

Komponenter:

1p. Roterende del produktside
2p. Stationær del produktside
1a. Stationær del atmosfærisk side
2a. Roterende del atmosfærisk side
  3. O-ringe
  4. Fjedre
  5. Stilleskruer
  6. Bøsning
  7. Flange
  8. 
Indstillingsclips
  9. Fladpakning
10. Fastgørelsesring

Varenummer Aksel dia.
mm.
Længde L1
mm.
Længde L3
mm.
Radius
tomme
Bolt dia. mm. - L4 Dia. mm.
D3
Dia. mm.
D4
Dia. mm.
D5
Dia. mm.
D6
Stationær del
produkt side
Roterende del
produkt side
Stationær del
materiale
Roterende del
materiale
Gummi
kvalitet
Basisenhed Antal
034540203075V 30,0 53,4 33,1 1/4" NPT 13,2 105,0 49,0 - 56,0 48,0 67,0 Sic Sic Sic Kul Viton STK
034540203875E 38,0 53,4 33,1 3/8" NPT 13,4 123,0 57,0 - 66,0 56,0 75,0 Sic Sic Sic Kul EPDM STK
034540206075V 60,0 53,4 33,1 3/8" NPT 18,0 157,0 79,0 - 91,0 78,0 102,0 Sic Sic Sic Kul Viton STK
034540207075V 70,0 53,4 33,1 3/8" NPT 18,0 178,0 95,0 - 108,0 93,0 118,0 Sic Sic Sic Kul Viton STK
034540209995V 100 63,9 44,1 22,0 218,0 127,0 125,4 154,0 TC TC Sic Kul VITON STK
Forbehold for forkert produktdata, variationer i billeder/videoer, samt pris- og valutakursændringer.
Luk

Det tager kun 1 minut...

Luk
Log ind

Der opstod en fejl!

Opret nyt password

Der opstod en fejl!

Vi har sendt dig en e-mail med et link til at oprette dit nye password. Tjek også din spam-mappe, hvis du ikke kan finde den.