LKB-butterflyventil, HNBR-pakning

Anvendelse:

LKB butterflyventil, manuel betjent sanitær spjældventil til brug i forbindelse med mejerirørs installationer. 

Konstruktion:

  • Leveres standard med pakninger i HNBR, alternativt i EPDM og Viton
  • Glat og rengøringsvenlig udvendig overflade
  • Ligeløbende med svejseender
  • Håndtag med sikkerhedslås
  • Fuldt gennemløb

Kvalitet:

Fremstillet i rustfrit stål AISI 316.

Driftforhold:

  • Temperatur dækker fra -10°C til +95°C
  • Tryk maks. 10 bar
  • Vakuum: Fuld vakuum 
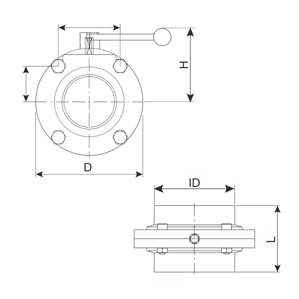
Varenummer Nominel dim.
mm.
D Dia.
mm.
Længde L
mm.
Højde H
mm.
Arbejdstryk
bar
Nettovægt
kg.
Basisenhed Antal
0515029150 25,0 78 47 82,0 10,0 1,600 STK
0515029190 38,0 78 47 82,0 10,0 1,300 STK
0515029230 51,0 99 52 92,0 10,0 2,100 STK
0515029250 63,5 117 54 102,0 10,0 2,900 STK
0515029270 76,1 132 62 107,0 10,0 5,000 STK
0515029290 101,6 169 80 127,0 10,0 7,900 STK
Forbehold for forkert produktdata, variationer i billeder/videoer, samt pris- og valutakursændringer.
Luk

Det tager kun 1 minut...

Luk
Log ind

Der opstod en fejl!

Opret nyt password

Der opstod en fejl!

Vi har sendt dig en e-mail med et link til at oprette dit nye password. Tjek også din spam-mappe, hvis du ikke kan finde den.