Push-in vinkel, svirvel

Anvendelse:

Push-in vinkel med svirvel og BSPT-gevind velegnet til trykluftsslanger i forbindelse med pneumatisk-styrede komponenter indenfor fødevare, kemiske og farmaceutiske industri.

Konstruktion:

Udformet så der opnås et højt sanitært niveau og en lang levetid.

Kvalitet:

  • Fremstillet i POM
  • Pakning i EPDM

Standarder:

EC 1935/2004.

Temperatur:

Temperatur dækker fra +1°C til +98°C.
Arbejdstryk 20 bar. 

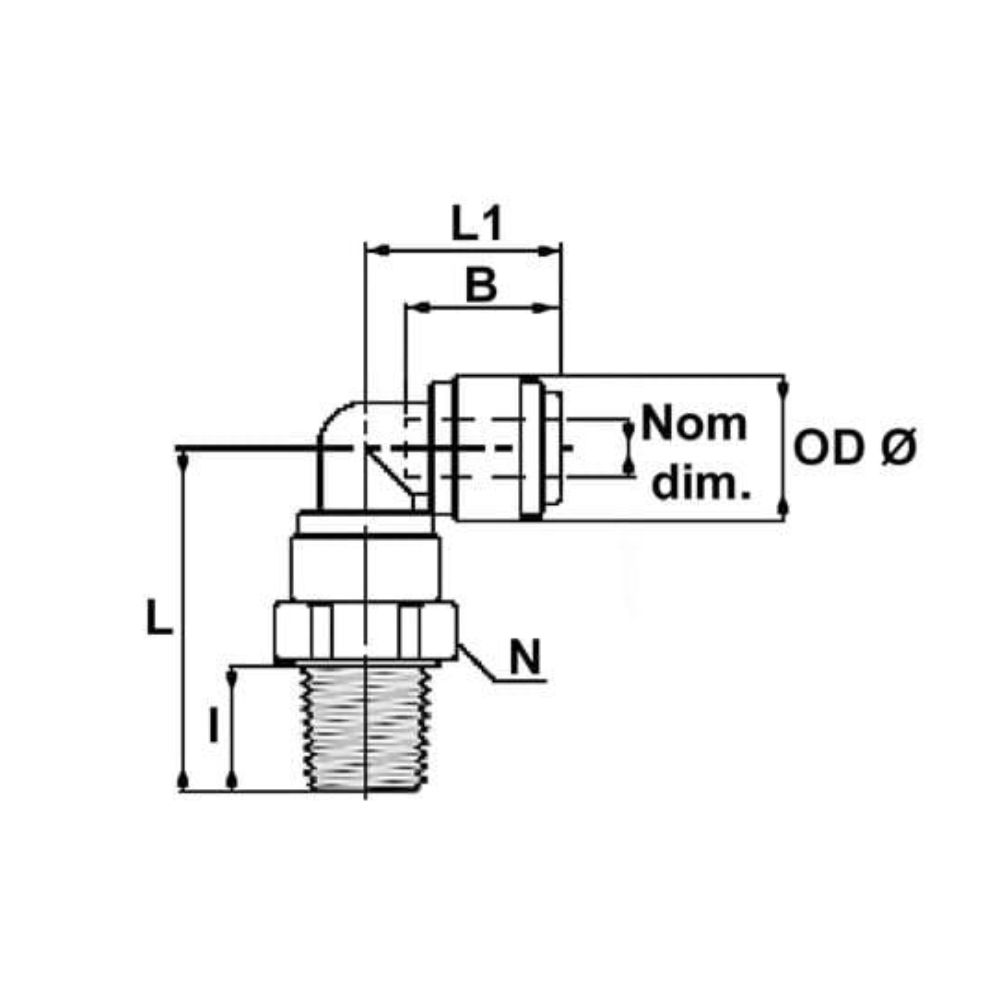
Varenummer Tilslutning
RG
Nominel dim.
mm.
OD Ø dia.
mm.
Længde B
mm.
Længde L
mm.
Indbygningsmål L1
mm.
Gevindlængde I
mm.
Nøglevidde
mm.
Nettovægt
kg.
Basisenhed Antal
02791HRPL0601W 1/8" 6,0 15,0 16,1 31,7 20,1 9,1 17,0 0,0072 STK
02791HRPL0602W 1/4" 6,0 15,0 16,1 31,7 20,1 13,1 17,0 0,008 STK
Forbehold for forkert produktdata, variationer i billeder/videoer, samt pris- og valutakursændringer.
Luk

Det tager kun 1 minut...

Luk
Log ind

Der opstod en fejl!

Opret nyt password

Der opstod en fejl!

Vi har sendt dig en e-mail med et link til at oprette dit nye password. Tjek også din spam-mappe, hvis du ikke kan finde den.