Pakning for In-Line skueglas

Anvendelse:

Pakning til anvendelse i In-Line skueglas.

Temperatur:

Temperatur dækker fra -40°C til +150°C.

Kvalitet:

Pakningen er fremstillet i EPDM eller NBR. 

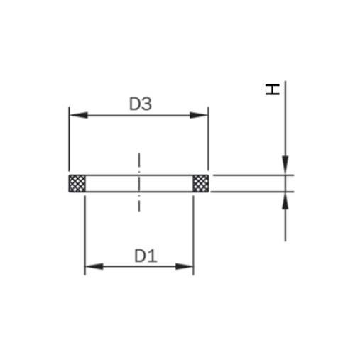
Varenummer Nominel dim.
tomme
Nominel dim. - DN D1 dia.
mm.
Dia. mm.
D3
Højde H
mm.
Gummi
kvalitet
Basisenhed Antal
0133170100 10 10,0 16,0 3,0 EPDM STK
0133170150 15 16,0 23,0 3,0 EPDM STK
0133170200 20 20,0 27,0 3,0 EPDM STK
0133170250 1" 25 26,0 33,0 3,0 EPDM STK
0133170320 32 32,0 39,0 3,0 EPDM STK
0133170380 1½" 40 38,0 51,0 3,0 EPDM STK
0133170510 2" 50 50,0 61,0 3,0 EPDM STK
0133170640 2½" - 61,0 72,0 3,0 EPDM STK
0133170650 65 66,0 76,0 3,0 EPDM STK
0133170760 3" 76,0 87,0 4,0 EPDM STK
0133170800 - 80 81,0 91,0 4,0 EPDM STK
0133171000 4" 100 100,0 110,0 4,0 EPDM STK
0133180100 10 10,0 16,0 3,0 NBR STK
0133180150 15 16,0 23,0 3,0 NBR STK
0133180200 20 20,0 27,0 3,0 NBR STK
0133180250 1" 25 26,0 33,0 3,0 NBR STK
0133180320 32 32,0 39,0 3,0 NBR STK
0133180400 1½" 40 38,0 51,0 3,0 NBR STK
0133180510 2" 50 50,0 61,0 3,0 NBR STK
0133180640 2½" 61,0 72,0 3,0 NBR STK
0133180650 65 66,0 76,0 3,0 NBR STK
0133180760 3" 76,0 87,0 4,0 NBR STK
0133180800 80 81,0 91,0 4,0 NBR STK
0133181000 4" 100 100,0 111,0 4,0 NBR STK
Forbehold for forkert produktdata, variationer i billeder/videoer, samt pris- og valutakursændringer.
Luk

Det tager kun 1 minut...

Luk
Log ind

Der opstod en fejl!

Opret nyt password

Der opstod en fejl!

Vi har sendt dig en e-mail med et link til at oprette dit nye password. Tjek også din spam-mappe, hvis du ikke kan finde den.