Beskyttelsesglas for In-Line skueglas, polycarbonat

Anvendelse

Bruges til at beskytte AWH In-Line skueglas. Beskyttelsesglasset er modstandsdygtig over for mineralsyrer, mange organiske syrer, oxidations- og reduktionsmidler, neutrale og sure saltopløsninger, mange forskellige fedtstoffer, voks og olier.

Konstruktion:

  • Transparent (gennemsigtighed >86%)
  • Fremragende brudsikkerhed
  • Begræsninger ved brug: ikke særlig ridsefast og ikke beregnet til dele, der kommer i kontakt med produktet

Temperatur:

Op til ca. 120°C, kortvarigt under rengøring.

Kvalitet:

Termoplastisk polymer. 

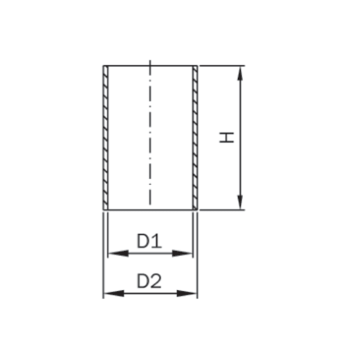
Varenummer Nominel dim.
tomme
Nominel dim. - DN D1 dia.
mm.
D2 dia.
mm.
Højde H
mm.
Vægt/stk.
kg.
Basisenhed Antal
0133160100 - 10 20,0 24,0 50,0 0,01 STK
0133160150 - 15 27,0 30,0 50,0 0,01 STK
0133160200 - 20 35,0 38,0 50,0 0,01 STK
0133160250 1" 25 36,0 40,0 61,0 0,01 STK
0133160320 32 42,0 45,0 61,0 0,02 STK
0133160380 1½" 40 54,0 60,0 61,0 0,02 STK
0133160510 2" 50 66,0 70,0 61,0 0,03 STK
0133160640 2½" 65 65,0 75,0 85,0 0,21 STK
0133160760 3" 80 95,0 100,0 77,0 0,04 STK
0133161000 4" 100 128,0 133,0 103 0,07 STK
Forbehold for forkert produktdata, variationer i billeder/videoer, samt pris- og valutakursændringer.
Luk

Det tager kun 1 minut...

Luk
Log ind

Der opstod en fejl!

Opret nyt password

Der opstod en fejl!

Vi har sendt dig en e-mail med et link til at oprette dit nye password. Tjek også din spam-mappe, hvis du ikke kan finde den.