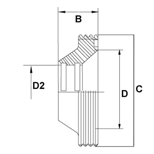
DS valsereduktionsnippel

Overfladeruhed indvendigt på R 0,8 µ og forsynet med batchnummer.
Udformet med riller til fastvalsning på mejerirør.

Fremstillet i rustfrit stål AISI 316L / EN 1.4404.

Varenummer Nominel dim.
mm.
C dia.
mm.
D dia.
mm.
D2 dia.
mm.
Længde B
mm.
Basisenhed Antal
0101170380 38,0 58,0 x 1/6 38,0 25,0 30,0 STK
0101170510 51,0 72,0 x 1/6 51,0 25,0 32,0 STK
0101170511 51,0 72,0 x 1/6 51,0 38,0 38,0 STK
0101170641 63,5 88,0 x 1/6 63,5 38,0 42,0 STK
0101170642 63,5 88,0 x 1/6 63,5 51,0 42,0 STK
0101170761 76,0 100,0 x 1/6 76,0 51,0 44,0 STK
0101170762 76,0 100,0 x 1/6 76,0 63,5 44,0 STK
Forbehold for forkert produktdata, variationer i billeder/videoer, samt pris- og valutakursændringer.
Luk

Det tager kun 1 minut...

Luk
Log ind

Der opstod en fejl!

Opret nyt password

Der opstod en fejl!

Vi har sendt dig en e-mail med et link til at oprette dit nye password. Tjek også din spam-mappe, hvis du ikke kan finde den.