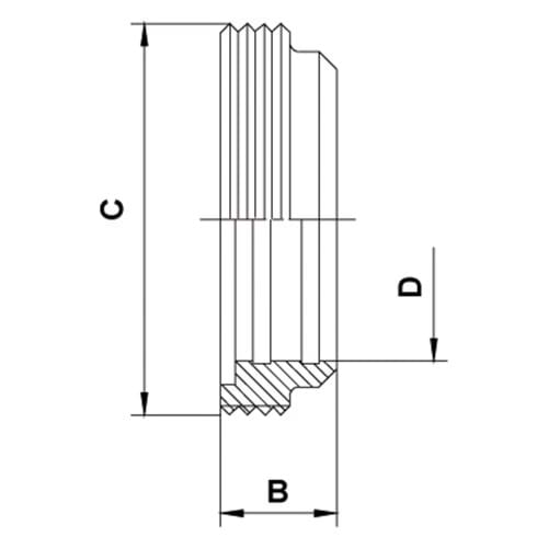
DS valsenippel

Overfladeruhed indvendigt på R 0,8 µ og forsynet med batchnummer.
Udformet med riller til fastvalsning på rustfri mejerirør.

Fremstillet i rustfrit stål AISI 304 / EN 1.4301.

Varenummer Nominel dim.
mm.
C dia.
mm.
D dia.
mm.
Længde B
mm.
Nettovægt
kg.
Basisenhed Antal
0101130250 25,0 44,0 x 1/6 25,0 20,0 0,100 STK
0101130380 38,0 58,0 x 1/6 38,0 22,0 0,156 STK
0101130510 51,0 72,0 x 1/6 51,0 24,0 0,240 STK
0101130640 63,5 88,0 x 1/6 63,5 26,0 0,364 STK
0101130760 76,1 100,0 x 1/6 76,1 28,0 0,438 STK
0101131020 101,6 130,0 x 1/4 101,6 28,0 0,810 STK
Forbehold for forkert produktdata, variationer i billeder/videoer, samt pris- og valutakursændringer.
Luk

Det tager kun 1 minut...

Luk
Log ind

Der opstod en fejl!

Opret nyt password

Der opstod en fejl!

Vi har sendt dig en e-mail med et link til at oprette dit nye password. Tjek også din spam-mappe, hvis du ikke kan finde den.