- Forside >
- Produkter >
- Rustfri gevind- & levnedsmiddelfittings >
- Levnedsmiddelfittings >
- DIN svejsefittings >
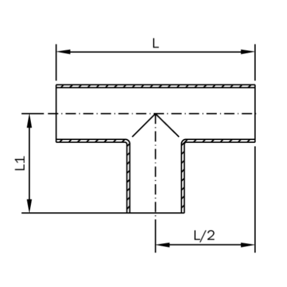
- T-stykke, lang gren, DIN
T-stykke, lang gren, DIN
Indersiden af T-stykke er bejdset, mens ydersiden er slebet.
Leveres med glatte ender.
Fremstillet af rustfrit stål AISI 316L / EN 1.4404.
Standard DIN 11852.
        Forbehold for forkert produktdata, variationer i billeder/videoer, samt pris- og valutakursændringer.
    
    
        Luk
        
        
    
 
                         
                        