Vinkelunion

Anvendelse:

Velegnet til bl.a. tilslutning af slanger i mindre dimensioner.

Konstruktion:

Udformet så der opnås et højt sanitært niveau og en lang levetid.

  • Kan leveres med eller uden kontraventil
  • Klemringsfittings vinkler med skærering

Kvalitet:

Vinkleunion fremstillet i rustfrit stål AISI 316L, DIN 2353.

Temperatur:

Temperatur dækker fra -40°C til +120°C uden reduktion i tryk.
Arbejdstryk ved +20°C, 250 bar for 6-15 mm, 160 bar for 18-22 mm. 

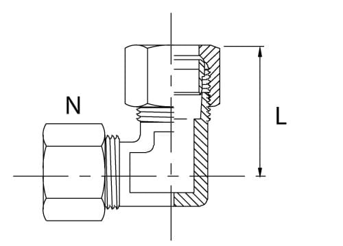
Varenummer Rør dim. 1 - mm. Indbygningsmål L
mm.
Nøglevidde
mm.
Arbejdstryk
bar
Nettovægt
kg.
Basisenhed Antal
0100610006 6,0 27,0 14,0 315,0 0,050 STK
0100610008 8,0 29,0 17,0 315,0 0,071 STK
0100610010 10,0 30,0 19,0 315,0 0,100 STK
0100610012 12,0 32,0 22,0 315,0 0,170 STK
0100610015 15,0 36,0 27,0 315,0 0,205 STK
0100610018 18,0 40,0 32,0 315,0 0,310 STK
0100610022 22,0 44,0 36,0 160,0 0,330 STK
0100610028 28,0 47,0 41,0 160,0 - STK
0100610035 35,0 56,0 50,0 160,0 - STK
0100610042 42,0 63,0 60,0 160,0 - STK
Forbehold for forkert produktdata, variationer i billeder/videoer, samt pris- og valutakursændringer.
Luk

Det tager kun 1 minut...

Luk
Log ind

Der opstod en fejl!

Opret nyt password

Der opstod en fejl!

Vi har sendt dig en e-mail med et link til at oprette dit nye password. Tjek også din spam-mappe, hvis du ikke kan finde den.