Mini kontraventil

Anvendelse:

Kompakt mini kontraventil til pneumatiske applikationer i ætsende miljøer i kontakt med vand, gasser og svage syrer. Velegnet til fødevareproduktion, kemisk industri og medicinske applikationer.

Konstruktion:

  • O-ringe i Viton
  • Ensrettet flow
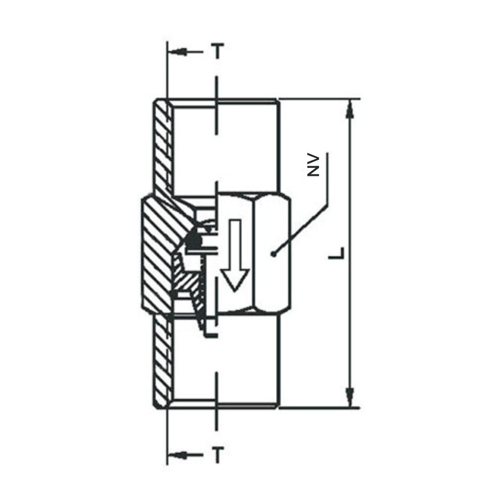
  • Muffe/Muffe

Kvalitet:

Fremstillet i rustfrit stål AISI 316.

Driftsforhold:

  • Temperatur Viton (pakning) dækker fra -20°C og til +205°C
  • Temperatur EPDM (pakning) dækker fra -40°C og til +130°C
  • Tryk: maks. 20 bar 
Varenummer Nominel dim.
tomme
Tilslutning
RG
Længde L
mm.
Nøglevidde NV
mm.
Åbningstryk
bar
Arbejdstryk
bar
Nettovægt
kg.
Basisenhed Antal
0525059020 1/8" 1/8" 40,0 17,0 0,35 20,0 0,048 STK
0525059060 1/4" 1/4" 41,0 17,0 0,30 20,0 0,043 STK
0525059080 3/8" 3/8" 47 22,0 0,25 20,0 0,084 STK
0525059100 1/2" 1/2" 56,0 27,0 0,08 20,0 0,143 STK
0525059130 3/4" 3/4" 66,5 36,0 0,10 20,0 0,330 STK
0525059150 1" 1" 79,0 41,0 0,80 20,0 0,388 STK
Forbehold for forkert produktdata, variationer i billeder/videoer, samt pris- og valutakursændringer.
Luk

Det tager kun 1 minut...

Luk
Log ind

Der opstod en fejl!

Opret nyt password

Der opstod en fejl!

Vi har sendt dig en e-mail med et link til at oprette dit nye password. Tjek også din spam-mappe, hvis du ikke kan finde den.