Vakuumflange, KF

Anvendelse:

Hurtigkoblingsflange efter KF-standarden (Klein Flange), der anvendes til vakuumtætte samlinger mellem rør, ventiler, vakuumkamre og pumper. Samlingen kan monteres og afmonteres uden brug af værktøj, og er derfor ideel til vakuumsystemer med hyppig vedligeholdelse eller ændringer i opbygningen.

Konstruktion:

Flangerne forbindes ved hjælp af en centreringsring med indbygget pakning, der fikseres med en udvendig KF-klemme. Konstruktionen sikrer en hurtig og pålidelig tætning, der er velegnet til både lavt, mellem og højt vakuum.

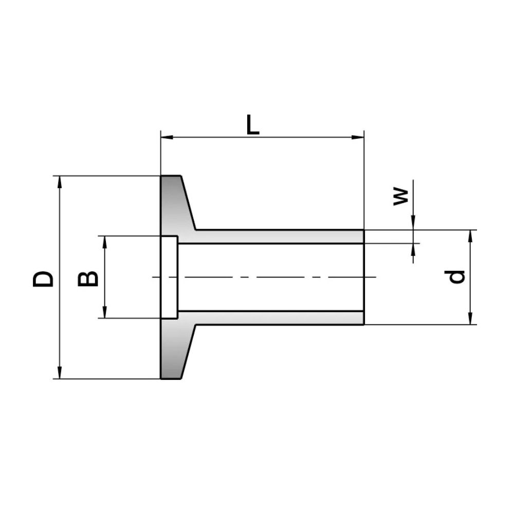
  • Overholder standarderne DIN 28403 og ISO 2861.
  • Tilslutninger leveres fra DN10 til DN50.
  • Vakuumtrykket afhænger af det valgte O-ring-materiale.

Kvalitet:

Fremstillet i rustfrit stål AISI 316L. Materialet og udformningen garanterer kompatibilitet med andre standardiserede KF-komponenter i overensstemmelse med de gældende DIN/ISO-standarder.

Vakuum/undertryk:

10-7 mbar.

Varenummer Nominel dim. - DN D Dia.
mm.
Dia. mm. - B D Dia.
mm.
DIN dia. mm. Længde L
mm.
Godstykkelse T
mm.
Vægt/stk.
kg.
Antal
0102901030 DN10 14,0 12,2 30,0 DN10 30,0 2,0 0,037
0102901630 DN16 20,0 17,2 30,0 DN16 30,0 2,0 0,038
0102902530 DN25 28,0 26,2 40,0 DN25 30,0 2,0 0,056
0102904030 DN40 44,5 41,2 55,0 DN40 30,0 2,0 0,087
0102905030 DN50 57,0 52,4 75,0 DN50 30,0 3,2 0,190
Forbehold for forkert produktdata, variationer i billeder/videoer, samt pris- og valutakursændringer.
Luk

Det tager kun 1 minut...

Luk
Log ind

Der opstod en fejl!

Opret nyt password

Der opstod en fejl!

Vi har sendt dig en e-mail med et link til at oprette dit nye password. Tjek også din spam-mappe, hvis du ikke kan finde den.