Blind nippel, aseptisk DIN 11864-1, serie C, tomme Blind nippel, aseptisk DIN 11864-1, serie C, tomme

Blind nippel, aseptisk DIN 11864-1, serie C, tomme

Følger standarden DIN 11864, serie C.

Fremstillet af rustfrit stål AISI 316L / EN 1.4404.

Varenummer Nominel dim.
tomme
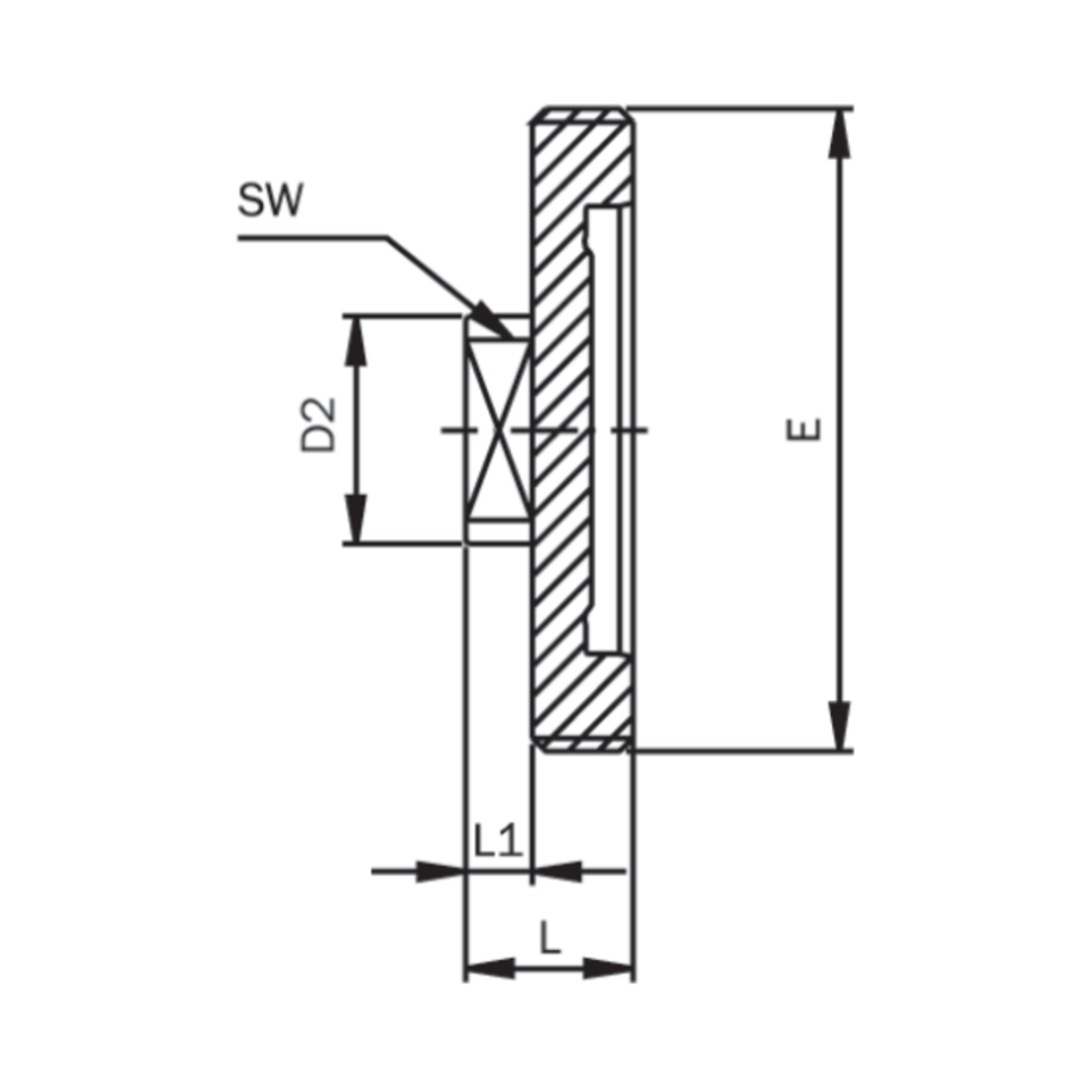
Indbygningsmål L1
mm.
Længde L
mm.
Gevind Nettovægt
kg.
Basisenhed Antal
0102232015C 1/2" 12,0 24,0 RD 28 x 1/8" 0,07 STK
0102232020C 3/4" 12,0 24,0 RD 34 x 1/8" 0,10 STK
0102232025C 1" 10,0 24,0 RD 52 x 1/6" 0,23 STK
0102232040C 1½" 10,0 24,0 RD 65 x 1/6" 0,30 STK
0102232050C 2" 10,0 24,0 RD 78 x 1/6" 0,39 STK
0102232065C 2½" 12,0 28,0 0RD 95 x 1/6" 0,60 STK
0102232080C 3" 12,0 28,0 RD 110 x 1/4" 1,07 STK
0102232100C 4" 10,0 30,0 RD 130 x 1/4" 1,27 STK
Forbehold for forkert produktdata, variationer i billeder/videoer, samt pris- og valutakursændringer.
Luk

Det tager kun 1 minut...

Luk
Log ind

Der opstod en fejl!

Opret nyt password

Der opstod en fejl!

Vi har sendt dig en e-mail med et link til at oprette dit nye password. Tjek også din spam-mappe, hvis du ikke kan finde den.