Flange liner, DIN, 11864-2, serie C

Aseptisk flange liner i henhold til DIN-standard 11864-2, serie C.

Fremstillet i rustfrit stål AISI 316L/EN 1.4404. 

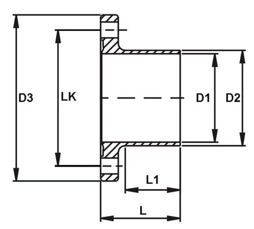
Varenummer Nominel dim.
mm.
D1 dia.
mm.
D2 dia.
mm.
Dia. mm.
D3
Længde L
mm.
Indbygningsmål L1
mm.
Bolt dele
dia. mm. LK
Nettovægt
kg.
Basisenhed Antal
0102260013C 12,7 9,4 12,7 54,0 40,0 26,0 37,0 - 4 x ø9,0 0,16 STK
0102260020C 19,1 15,8 19,1 59,0 40,0 26,0 42,0 - 4 x ø9,0 0,20 STK
0102260025C 25,4 22,1 25,4 66,0 40,0 26,0 49 - 4 x ø 9,0 0,240 STK
0102260040C 38,1 34,8 38,1 79,0 45,0 31,0 62 - 4 x ø 9,0 0,330 STK
0102260050C 50,8 47,5 50,8 92,0 45,0 31,0 75 - 4 x ø 9,0 0,410 STK
0102260065C 63,5 60,2 63,5 107,0 54 42,0 89 - 8 x ø 9,0 0,530 STK
0102260080C 76,2 72,9 76,2 125,0 56,0 42,0 104 - 8 x ø 11,0 0,800 STK
0102260100C 101,6 97,4 101,6 157,0 58,0 42,0 135 - 8 x ø 11,0 1,410 STK
Forbehold for forkert produktdata, variationer i billeder/videoer, samt pris- og valutakursændringer.
Luk

Det tager kun 1 minut...

Luk
Log ind

Der opstod en fejl!

Opret nyt password

Der opstod en fejl!

Vi har sendt dig en e-mail med et link til at oprette dit nye password. Tjek også din spam-mappe, hvis du ikke kan finde den.