Clamp krave nut, DIN, 11864-3, serie C

Aseptisk clamp krave nut efter standarden DIN 11864-3, serie C.

Fremstillet i rustfrit stål AISI 316L/EN 1.4404. 

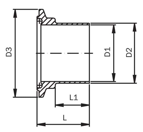
Varenummer Nominel dim.
mm.
Nominel dim.
tomme
D1 dia.
mm.
D2 dia.
mm.
Dia. mm.
D3
Længde L
mm.
Indbygningsmål L1
mm.
Nettovægt
kg.
Basisenhed Antal
0102284025C 25 1" 22,1 25,4 50,5 40,0 28,0 0,09 STK
0102284040C 38,0 1½" 34,8 38,1 64,0 45,5 30,0 0,140 STK
0102284050C 51,0 2" 47,5 50,8 77,5 46,0 30,0 0,170 STK
0102284065C 63,5 2½" 60,2 63,5 93,0 59,0 40,0 0,24 STK
0102284080C 76,2 3" 72,9 76,2 106,0 60,0 40,0 0,30 STK
0102284100C 100 4" 97,4 101,6 130,0 61,0 40,0 0,42 STK
Forbehold for forkert produktdata, variationer i billeder/videoer, samt pris- og valutakursændringer.
Luk

Det tager kun 1 minut...

Luk
Log ind

Der opstod en fejl!

Opret nyt password

Der opstod en fejl!

Vi har sendt dig en e-mail med et link til at oprette dit nye password. Tjek også din spam-mappe, hvis du ikke kan finde den.