Clamp krave liner, DIN, 11864-3, serie C

Aseptisk clamp krave liner i henhold til standarden DIN 11864-3, serie C.

Fremstillet i rustfrit stål AISI 316L/EN 1.4404.

Varenummer Nominel dim.
mm.
Nominel dim.
tomme
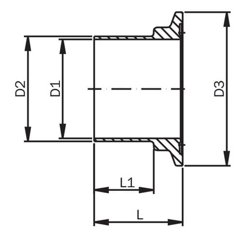
D1 dia.
mm.
D2 dia.
mm.
Dia. mm.
D3
Længde L
mm.
Indbygningsmål L1
mm.
Nettovægt
kg.
Basisenhed Antal
0102285025C 25 1" 22,1 25,4 50,5 38,5 28,0 0,08 STK
0102285040C 38,0 1½" 34,8 38,1 64,0 44,0 30,0 0,120 STK
0102285050C 51,0 2" 47,5 50,8 77,5 44,5 30,0 0,170 STK
0102285065C 63,5 2½" 60,2 63,5 91,0 57,5 40,0 0,24 STK
0102285080C 76,2 3" 72,9 76,2 106,0 58,5 40,0 0,30 STK
0102285100C 100 4" 97,4 101,6 130,0 59,5 40,0 0,44 STK
Forbehold for forkert produktdata, variationer i billeder/videoer, samt pris- og valutakursændringer.
Luk

Det tager kun 1 minut...

Luk
Log ind

Der opstod en fejl!

Opret nyt password

Der opstod en fejl!

Vi har sendt dig en e-mail med et link til at oprette dit nye password. Tjek også din spam-mappe, hvis du ikke kan finde den.