Udluftningsventil

Anvendelse:

Udluftningsventilen anvendes ofte til lagertanke.
Ventilen fungerer på samme måde som en kontraventil. 

Konstruktion:

  • Den øverste og nederste sektion er boltet med en standardmøtrik
  • Den nederste sektion har en svejseforbindelse
  • Det lille udstødningsrør på den øverste sektion kan drejes til enhver given position

Kvalitet:

Rustfrit stål AISI 316.

Driftsforhold:

  • Produkttryk: 10 bar
  • Max tilladt driftstemperatur: <90°C.
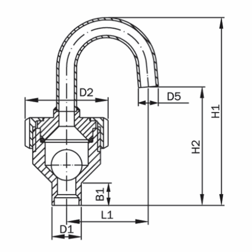
Varenummer Nominel dim. - DN D1 dia.
mm.
D2 dia.
mm.
Dia. mm.
D5
Højde H1 - mm. Højde H2 - mm. Længde L1
mm.
Bredde mm. - B1 Vægt/stk.
kg.
Basisenhed Antal
0509300150 15 19,0 x 1,5 54,0 12 x 1 122,0 77,0 53,0 14,5 0,47 STK
Forbehold for forkert produktdata, variationer i billeder/videoer, samt pris- og valutakursændringer.
Luk

Det tager kun 1 minut...

Luk
Log ind

Der opstod en fejl!

Opret nyt password

Der opstod en fejl!

Vi har sendt dig en e-mail med et link til at oprette dit nye password. Tjek også din spam-mappe, hvis du ikke kan finde den.